本文首发于微信公众号「声学号角」
【得到作者授权转载】
欢迎大家关注作者慕望星的知乎专栏“麦克风知识总结”
https://www.zhihu.com/column/c_1347707114064994304
点击“阅读原文”可跳转
《Microphone Handbook Vol. 1: Theory》为Brüel & Kjær声学与振动测量公司(简称BK)发布的一份技术文档手册。这份技术文档以BK公司的麦克风产品为例,解释麦克风产品的相关术语,并深入介绍了麦克风及前置放大器背后的理论。
原书的链接如下:
https://www.bksv.com/media/doc/be1447.pdf
本篇文章为笔者对原手册(英文版)的2.3.10节(测量级麦克风设计:基于等效电路模型的麦克风建模)的中文翻译。笔者水平有限,如有不妥之处,恳请大佬指出。
2.3.10 基于等效电路模型的麦克风建模
多年来,电路分析一直是众所周知且广泛应用的学科。如今,做电路分析已经可以使用非常有效的计算机程序。这使得麦克风设计人员和做声学系统(包括麦克风)的设计人员都对该技术非常感兴趣。
为了在设计麦克风时使用这些工具,必须通过将声学电路元件转换为等效电路元件,并将其与声学电路相对应地串联和并联,来制作模型。有两个主要的类比方法,阻抗 类比和导纳类比。阻抗类比是对麦克风电路建模的普遍应用类比方法。
声学顺度(对应刚度的倒数)被转换为电容。声学质量对应于电感,并且声学阻尼由电阻表示。在这样的模型中,压力对应于电压,声学体积速度对应于电流,声学位移对应于电荷。
在所有元件均以等效单位给出的条件下,可以简单地通过合理连接声学元件和电学元件,来对声学-机械-电的组合结构(如电容式麦克风)进行建模。参阅下表。

表2.1 用于电容式麦克风建模的声学参数和等效电参数
| 声学参数 | 等效电参数 |
|---|---|
| 声压 | 电压 |
| 柔顺度 | 电容 |
| 刚度 | 电容的倒数 |
| 质量 | 电感 |
| 声阻 | 电阻 |
| 体积速度 | 电流 |
| 体积位移 | 电荷 |
麦克风设计人员可能会使用非常复杂的模型,这些模型会考虑到许多设计细节,并计算其对响应的影响。对于用户或声学系统(包括麦克风)的设计者来说,简单的模型通常就足够了。将声学振膜阻抗描述为频率函数的模型,通常用于确定麦克风对狭窄通道或封闭腔体(例如用于标定麦克风或耳机的耦合器)的声压的影响。
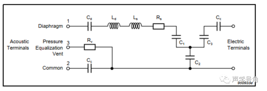
图2.13中所示的等效电路和表2.2中说明的参考组件值,构成了麦克风的模型。所示示例对应于振膜谐振频率为10 kHz的麦克风,该麦克风的振膜如同压力(压力场)麦克风的振膜,处于临界阻尼状态(品质因数,Q=1)。

图2.13 麦克风模型。等效电路的组件表示机电系统的刚度,质量和阻尼。模型的响应取决于静压均衡孔是否暴露在声压中(如果暴露:(3)与(1)连接;如果未暴露:(3)与(2)连接)

表2.2 图2.13所示的麦克风模型元件的值。该模型对应的麦克风(50 mV/Pa)的膜片处于临界阻尼状态,其谐振频率为10 kHz
| 符号 | 模型元件 |
|---|---|
| Cd | 膜片顺度 |
| Ld | 膜片质量 |
| Ls | 膜片后面的缝隙的声质量 |
| Rs | 膜片后面的缝隙的声阻 |
| Cc | 内腔的声顺 |
| Rv | 均压孔的声阻 |
| C1 | 声学耦合顺度 |
| C2 | 耦合顺度/电容 |
| C3 | 电学耦合电容 |
| Ce | 电容(膜片受阻时) |
这样的模型可以用于计算灵敏度和频率响应(幅度和相位),可以在静压均衡孔处有无声压的情况下求解模型。该模型也可以用来确定复杂的声学振膜阻抗以及电阻抗。另外,该模型还可以计算麦克风的固有电噪声,因为麦克风的固有电噪声可以视为电阻元件的噪声(也称为奈奎斯特和约翰逊噪声)。
如本节前面所述,这类模型通常用于计算麦克风的响应。该模型还用于描述其他的麦克风属性。接下来的部分将对此进行讨论。