本文首发于微信公众号「声学号角」
01
—
集总参数
常规动圈扬声器的集总参数研究已经比较完善成熟。但压缩驱动器的集总参数准确建模存在一定的困难。
以相位塞通道为例,电力声类比,可以采用基尔霍夫(电路)定律进行分析。
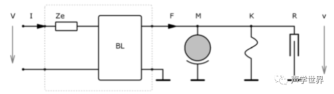
声学模型

力学模型

电学模型

02
—
压缩驱动器
压缩驱动器单元剖视图

压缩驱动器系统示意图

03
—
集总参数建模压缩驱动器
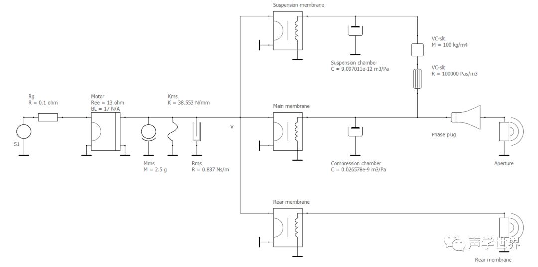
建模一个压缩驱动器,出口S4直径1.4英寸(约36mm),球顶膜片直径86mm。示意图如上。
膜片有效面积S0,相位塞入口面积S3,其压缩比S0/S3。S1代表膜片折环。
磁场用B表示,磁场驱动通电音圈上下运动,F为洛伦兹力。
V0代表前腔容积,V1代表折环下的密闭腔体容积。
如果给驱动单元增加行波管,再测试分析。行波管会提供一个稳定的辐射负载。

其中ρ为空气密度,c为声速,S4是行波管管口面积。
首先忽略所有声学组件,专注电学和力学模型。和常规的动圈扬声器一样。不做过多阐释。
电磁力驱动音圈

力学振动模型

电力耦合模型

检查模型,和实测的阻抗对比。谐振频率Fs=625Hz。

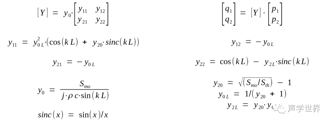
简单的声固耦合模型

前腔声学顺性,V为容积

忽略相位塞的复杂结构,以及假设相位塞通道横截面面积线性增加。
波数k=w/c,相位塞通道长度L,Smo为出口面积,Sth为入口面积。


先不考虑增加号角或行波管进行测试,直接自由辐射。使用声学边界元BEM对辐射进行建模。


压缩驱动器的简化建模

仿真实测的频响和阻抗对比


更精确的模型。考虑后腔的声学路径,会增加额外的声质量。

可以看到阻抗的吻合程度更好,说明是有效的


可以看到高频的频率响应匹配还不够好。
使用激光对膜片振动进行测量,发现膜片在高频段发声了分割振动,不再是活塞振动。


将测量到的膜片速度均一化后,得到下图绿色的曲线。对仿真得到的频响曲线进行补偿。发现吻合程度提升了很多。

集总参数建模的优点是计算速度,以及可以快速优化设计。缺点是精度受限。实际研发中要灵活使用。

上面是我的个人微信,加我的时候请表明身份,注明来意。