本文首发于微信公众号「声学号角」
差分驱动单元是JBL专业音箱类产品普遍使用的一项专利技术。
与传统的单线圈设计相比,差分驱动技术可以提供更好的散热,更低的功率压缩和更高的动态范围。这种设计方案对磁路的非线性失真改善是相当明显的,实际产品听感也更清晰明朗。实际听过的不少人说有一种通透感,尤其是大动态时候对比常规产品。
其详细结构可以参考JBL Pro官网:


散热器集成到驱动器的铸铝框架中,并且钕铁硼磁体被放置在驱动器的双音圈组件内部。很多关键性能参数都大大提高,包括最大的功率输出和失真。
当然,还有一些缺点是官方不愿意提及的:
- 效率相对来说会比传统结构略低。也就是说灵敏度比常规产品低。 原因也很简单,整个磁回路的磁阻增加了。磁隙中的B值相对较低。
- 双音圈会略重,且底部音圈离振动系统的悬挂部分(边和弹波)比较远,比常规产品更容易擦圈。虽然实际产品目前并没有这个问题,但风险会更高点。
- 贵。零部件数量增加,装配所需要的工序增加。
世上没有十全十美的方案,关键是要取得一个均衡点。
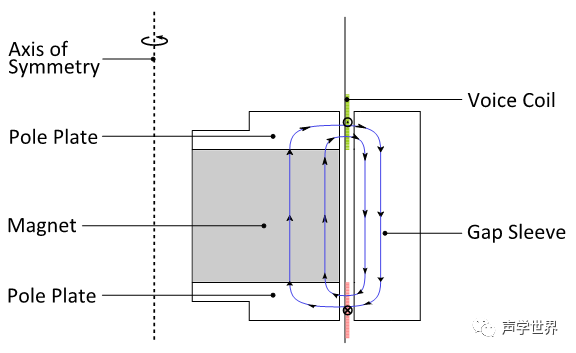
上下双线圈磁路原理图

对应的等效电路

线圈之间的距离对BL(x)的影响:

从以上仿真也可以很明显看出,对称性更好的磁路效率更低。
在目前的时间节点,如果采用非线性补偿的方法,或许对称性差但是效率高的磁路是一个更好的选择。

上面是我的个人微信,加我的时候请表明身份,注明来意。