本文首发于微信公众号「声学号角」
这是在2019深圳国际音响展暨声学楼十四周年年会上做的报告。对扬声器音箱的相关仿真做了梳理。本文中关联了之前的相关文章。供参考。
01
—
个人简介
- 毕业于华中科技大学物理系。
- 先后在国光,PSS,Harman,Tymphany从事消费类和专业类扬声器和音箱,以及相位塞,号角,波导等声学组件的开发。•现任华为音频系统主任工程师。负责音频系统新技术方向探索和关键新技术原型开发和仿真。
- 创建了一个微信公众号(声学世界),同时建立了三个微信群来分享声学音频技术和产品。
- 通过仿真可以优化设计,缩短新产品的原型开发周期,并探索新的技术方向。

02
—
磁路和TS参数





- 创建ComsolAPP仿真扬声器磁路非线性BL(x)和Le(x),以及喇叭TS参数,类似Finemotor
- 反磁装配
- 动态感应电流分布
- 退磁温度
- 3d磁路
03
—
结构仿真








- 分析扬声器振动系统劲度系数非线性Kms(x)
- 共振频率Fs,晃动模态,分割振动








- 盆架/音箱壳的振动分析
- 华司铆合(金属塑性)
- 塑胶卡扣(摩擦接触)
- 折环褶皱失稳(屈曲)
- 音圈规设计优化
- 跌落仿真(显式动力学)
04
—
声场耦合仿真






1.倒相箱/侧出音音箱等频响/阻抗/位移曲线仿真,全耦合,分步耦合,集总参数(等效电路/公式)声场仿真等
2.振膜可以考虑做成壳模型
3.在声固耦合边界,固体沿着交界面法向的加速度作用于流体,声压以法向单位面积载荷作用于固体
05
—
音箱仿真

使用Matlab创建扬声器系统仿真APP,可以计算各种音圈,各种箱体类型(无限大障板,闭箱,开口箱,无源辐射器,带通箱),可考虑滤波和EQ对频响/阻抗/位移/管风速或无源辐射器位移的影响,类似finemotor+finecone


使用Micro-cap等电路分析软件仿真各种音箱类型,无限大障板,闭箱,开口箱,无源辐射器,带通箱等
【基础知识】扬声器TS参数计算公式~再次推荐萌物mathematica
06
—
闭箱空气劲度非线性仿真




1.通过理论公式和有限元仿真计算闭箱空气劲度的非线性
2.支撑闭箱中扬声器单元悬挂系统设计大动态时,实际产品工作状态介于绝热和等温过程之间,系数k需要进行修正
07
—
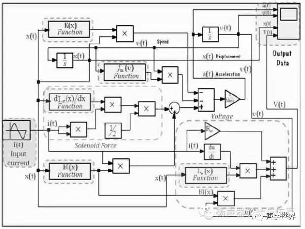
失真仿真




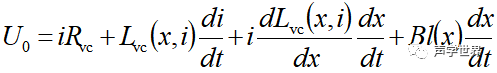
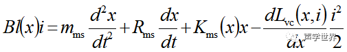
1.使用Matlab或Simulink分析计算大位移状态下的谐波失真,经典四阶龙格库塔法
2.上下最大位移和直流偏移
3.类似Klippel的SIM模块




还有其他各种不同层次的失真仿真方式
1.直接三场耦合,计算量大,容易不收敛,只适用于2d
2.磁路采用有限元,振动系统非线性参数通过方程或等效电路输入
3.磁路和结构非线性参数通过方程或等效电路输入,耦合声场通过有限元计算
4.全集总参数计算,求解非线性方程或非线性等效电路
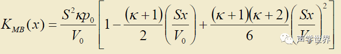
5.动态BL(x),和激励电流大小以及频率相关
【扬声器仿真高阶应用】Bl(x)和激励频率的关系,兼论另一种扬声器低频失真仿真方法
08
—
箱体衍射仿真






1.使用声学有限元/声学边界元仿真
2.计算复杂边界的声衍射对频率响应的影响
3.在时域上分析箱体衍射比较直观
09
—
箱体驻波和倒相箱Fb仿真

1.计算复杂倒相管的调谐频率Fb
2.改善箱体内驻波,修改箱体尺寸比例,移动扬声器单元位置,在合适的位置增加吸音棉等
【投稿】微型器件仿真中微声管阻抗模型的建立:考虑媒质粘滞运动方程,管末端修正与声管本身的体积顺性
10
—
声学组件仿真






1.优化线阵列上的波导管
2.计算恒指向性号角波束宽度
11
—
压缩高音仿真





1.磁力声三场耦合,计算压缩高音在号角或行波管中的频率响应
2.优化压缩高音磁路/膜片/相位塞设计
12
—
拓扑优化

1.盆架的拓扑优化分析,尽可能减小用料以及增加通风面积的同时,保证足够的结构强度
2.磁路拓扑优化,在保证BL值下降非常小的前提下减轻重量
13
—
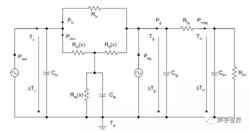
散热仿真





1.音圈温升影响直阻,进而会影响实际输入功率,相当于存在一个负反馈
2.空气流动(热对流)对温升影响很大,但扬声器运动推动空气流动(强迫对流)难仿真,可以对高音等小振幅喇叭仅考虑自然对流
3.热等效电路模型,需要样机实测才能拟合出参数
4.需要考虑电磁,热,结构,流场等耦合。音圈是主要热源,温度上升反过来又会造成音圈直阻上升,从而影响发热功率。磁路中的感应电流是次要热源(金属件,包括T铁,夹板,短路环等会产生涡流,生成次级热源),跟电信号激励的频率等又相关。音圈(热源)上下运动,振膜也跟着运动,空气也会参与强迫对流。热辐射的影响相对热对流和热传递较小。
5.分频器散热
14
—
低风噪倒箱管仿真








1.优化倒相管形状
2.流线,速度场
3.单频激励噪声频谱测试,FluentLES大涡模拟,VirtualLab做后处理

上面是我的个人微信,加我的时候请表明身份,注明来意。