本文首发于微信公众号「声学号角」
01
—
AES论文
本文基于丹麦科技大学的Sebastian Tengvall等人在AES上发表的论文《Design and Implementation of a High Efficiency Subwoofer》。
丹麦科技大学是世界顶尖的理工大学之一,也是北欧地区最好的工科大学。丹麦虽然地方不大,但音箱开发传承很久,在世界范围内享有盛誉。比如B&O,丹拿等等。丹麦科技大学的声学专业也很强。
02
—
4阶带通箱设计
设计需求规格:
- 15寸单元
- 45Hz到90Hz的带通响应
- 2.83V输入最小灵敏度98dB
- 最大容积150L
采用4阶带通箱设计。见下示意图。

常规带通箱的响应曲线:

这种设计频率带宽很好,但效率不够高。
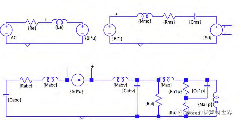
带通箱小信号等效电路模型:

通过等效电路模拟得到的频响和阻抗曲线,输入2.83V,1m,2pi空间。

初步定义前腔和风管谐振频率fb=70Hz
风管长度计算公式

带4个风管的带通箱低音炮实物

实测的频响和阻抗曲线。和模拟有差异。

通过将等效电路模型中fb调节到80Hz。

可以将模拟和测试得到的频响曲线拟合得比较好。但阻抗曲线匹配得不好。
原因有可能是4风管实际等效电路模型会比单风管复杂。也有可能是带通箱内的泄漏和损耗未被充分考虑。
或许可以尝试使用有限元的方式来模拟。
带通箱的调节比倒相箱会更复杂。
点击左下角阅读原文,可以跳转到论文地址。

上面是我的个人微信,加我的时候请表明身份,注明来意。